#6炉L1吹灰器行进中断电分析
2023-09-07 科威
空分系统中塔器设备故障及维护方法
2023-09-06 科威
机组启动过程中励磁未建压原因分析
流量检测方法与仪表-差压式流量计
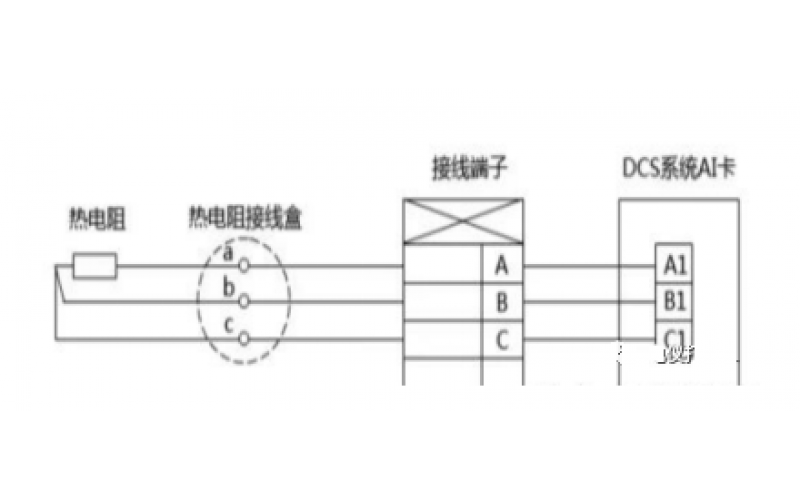
温度显示波动检修案例PT100
2023-09-05 科威
锅炉汽包水位测量知识分享
GIS设备投运检查及设备巡视要求
2023-09-04 科威
油田配气站工艺设备“低老坏”问题的排查与整治